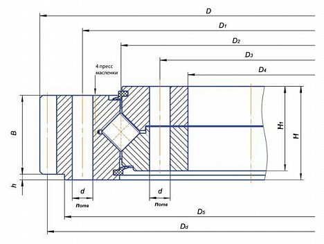
Описание
	 Однорядные роликовые с крестообразным расположением роликов с внешним зацеплением
		Каталожный номер  | 
	
 Кол-во отв. | 
	
 Кол-во зубьев | 
	Применение | 
		
  | 
	
		 24  | 
	
		 180  | 
	
		 Автокраны Галичанин КС-4572 и их модификаций  | 


