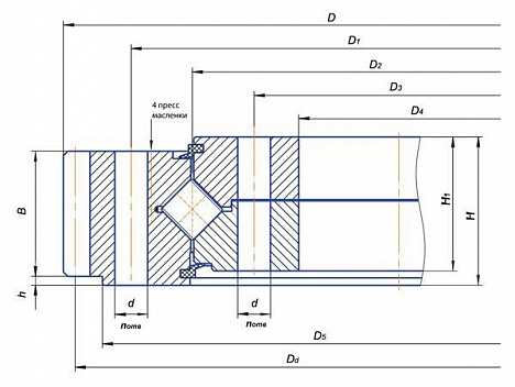
Описание
	 Однорядные роликовые с крестообразным расположением роликов с внешним зацеплением 
 
		Каталожный номер  | 
	
 Кол-во отв. | 
	
 Кол-во зубьев | 
	
 
		 Применение  | 
| 
		 ОП-1451.2.1.8.3.Р.У1  | 
	
		 40  | 
	
		 180  | 
	
		 
			 Автокраны г/п 25 т.: Ивановец КС-45717,   | 


